Team Polar wants to take new Gentoo rover to Antarctica
Team Polar presented the design of Gentoo, the new ‘rover’ the student team wants to take to Antarctica in 2026, in The Hague on Friday afternoon. The aim of the autonomous vehicle, which supplies itself with energy using solar panels, is to make research at the South Pole more sustainable. “In Gentoo, we’re implementing everything we learned from its predecessor, the Ice Cube,” says board member Hiske Seubring.
It’s Friday afternoon and the presentation of the new design is taking place at the Uithof, an indoor sports center in The Hague, which includes a ski hall. “The center is one of our partners; we do tests in the snow there,” says Hiske Seubring, who took a gap year as a board member of Team Polar after completing a Bachelor's program in Biomedical Engineering. “For the very first time this year, we have full-time positions, nine of them to be exact. The team has 42 members in total.”
In addition to the press and alumni, the invited guests are the team's partners. These aren’t only organizations involved in research in Antarctica, but also large companies such as NXP. Seubring: “Everything on and in the rover – solar panels, batteries, autonomous driving systems – must be able to withstand very extreme conditions. That makes the technology we are developing interesting for a wide range of manufacturers.”
Vulnerable
Why is it important for research in Antarctica to be conducted in a sustainable fashion? Seubring: “Antarctica is a very vulnerable and – at the same time – vast and inhospitable area, which is very interesting for climate studies and research into meteorites, among other things.”
“Airplanes or large, heavy, kerosene-powered vehicles are often used for this. Kerosene is very energy-dense, which is an advantage because you have to transport the fuel to the South Pole yourself, but it’s also very polluting.” Gentoo runs on solar energy, which is a good thing because the sun doesn’t set in Antarctica for half the year.
High winds
“In Gentoo, we’re implementing everything we learned from its predecessor, the Ice Cube,” says Seubring. “Three Polar members also visited the world’s largest Antarctica conference in Chile last summer, where they asked researchers about their wishes and needs.” So how does the new rover differ from its predecessor?
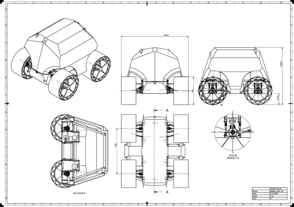
“Gentoo is more robust, but at the same time more aerodynamic – less boxy – than the Ice Cube, to better withstand the strong high winds in Antarctica. Also, the conventional rubber pneumatic tires have been replaced with airless ones, to prevent punctures.”
“As the new rover is larger, alsmost two by two meters, it can also accommodate more solar panels. These panels will have a special coating, to ensure ice can’t penetrate them. The batteries are specially adapted to the extreme polar cold.”
Autonomous
Gentoo, like its fellow rovers on Mars, will set off completely independently. “Next year, we will build the rover, according to the design that we’re presenting today. In 2026, we want to go to Antarctica,” Seubring says, outlining Team Polar’s ambitious plans. “Our goal is for Gentoo to set a world record by completing the longest autonomous drive ever: 1,200 kilometers. Here, ‘autonomous’ is understood as navigating itself and generating its own energy.”
There’s still work to be done, of course. Today – with the help of augmented reality – the new design is shown to the world for the first time. Visitors can also drive the Ice Cube through the snow, go on a virtual visit to the South Pole, and view a poster exhibition on all the innovations that will be integrated into Gentoo. And, of course, raise a glass with the members of Team Polar.




Discussion